
產品簡介:葵瓜籽振動篩型號有直徑400,直徑600,直徑800,直徑1000,直徑1200,直徑1500,直徑1800等常規型號,也可以根據客戶的需求特殊定做
處理量:3–10噸/小時
篩網層數:2–4層
電機功率:0.74–1.5kW
篩面尺寸:2000×1000–2400×1500mm
給料粒度:≤10mm
咨詢報價銷售熱線:0373-268 2333

葵瓜籽也叫葵花籽是菊科草本植物向日葵的種。向日葵又名丈菊、向陽花、葵花。我國各地均有栽培。秋季將花托摘下,收集成熟的瘦果(種子),曬干。臨用時除去果殼(稱葵瓜子仁)。性能:味甘,性平。現代用以降低血脂,又能驅蟲。可供食用和油用。葵花籽富含不飽和脂肪酸,多種維生素和微量元素,加上其味道可口,因而成為一種十分受人們歡迎的休閑零食和食用油源。由于葵花籽大小不一,雜質不易清除一直是瓜子生產企業所頭疼的問題。不過,現在大漢機械已經解決了這一篩分難題,專門生產了葵瓜籽振動篩來滿足客戶的篩分要求,從而為瓜子廠家節省了不少的開支。

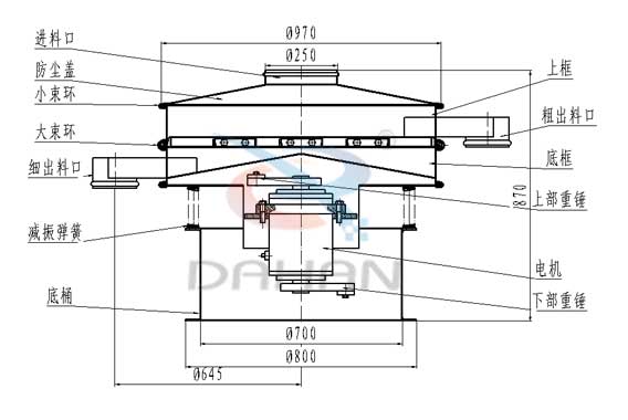
葵瓜籽振動篩由直立電機作激振源,電機上下兩端安裝有偏心重錘,將電機的旋轉運動轉變為水平、垂直、傾斜的三次元運動,再把這個運動傳遞給篩面。調節上、下兩端重錘的相位角,可以改變物料在篩面的運動軌跡。過濾豆漿的話,我們一般將振動篩上下重錘的夾角調至90度。葵瓜籽振動篩型號有直徑400,直徑600,直徑800,直徑1000,直徑1200,直徑1500,直徑1800等常規型號,也可以根據客戶的需求特殊定做。材質有不銹鋼材質,碳鋼材質,316L材質,塑料振動篩等,每個材質的價格也有所差別,不同的材質價格也不一樣,具體可以直接聯系廠家咨詢。

| 型號 | DH-600 | DH-800 | DH-1000 | DH-1200 | DH-1500 | DH-1800 | DH-2000 |
| 直徑mm | Φ600 | Φ800 | Φ1000 | Φ1200 | Φ1500 | Φ1800 | Φ2000 |
| 篩網面積m² | 0.24 | 0.45 | 0.67 | 1.0 | 1.6 | 2.43 | 3.01 |
| 篩網規格(目) | 2-500 | ||||||
| 進料粒度mm | <Φ10 | <Φ15 | <Φ20 | <Φ30 | |||
| 振次rpm | 1500 | 1500 | 1500 | 1500 | 1500 | 1500 | 1500 |
| 有效篩面直mm | Φ560 | Φ760 | Φ930 | Φ1130 | Φ1430 | Φ1760 | Φ1960 |
| 層數 | 1-5 | ||||||
| 功率Kw | 0.25 | 0.55 | 0.75 | 1.1 | 1.5 | 2.2 | 3 |
葵瓜籽振動篩的材質良好,不會污染葵瓜籽,以下是該產品的優勢體現。
1、篩分精度高,效率高,粉、粒、粘液類皆可適用。
2、焊接部件無死角,易清洗消毒。
3、DH系列旋振篩采用新型網架結構,篩網使用壽命長久,換網只需3-5分鐘。
4、整機可單層、多層篩網使用。
5、體積小不占空間,移動方便,出口可以360度任意調整。
6、篩框與物料接觸部分全部采用不銹鋼制作。
